
全国服务热线:
021-66400088
189-3058-8756

一、软密封气动对夹式蝶阀概述:
气动对夹式软密封蝶阀结构紧凑,90°回转开关轻松,密封可靠,使用寿命长,被广泛用于水厂、电厂、钢厂、造纸、化工、饮食等系统供排水中,作为调节和截止使用。
| 产品名称 | 软密封对夹式气动蝶阀 |
| 产品型号 | D671X |
| 产品口径 | 50-1200MM |
| 产品压力 | 1.0Mpa-2.5 Mpa |
| 阀体材质 | 铸铁,铸钢,不锈钢304,316,316L |
| 阀板材质 | 铸铁,铸钢,不锈钢304,316,316L |
| 驱动方式 | 蜗轮、手动、气动、电动 |
二、软密封气动对夹式蝶阀的主要特点:
1、 小巧轻便,容易拆装及维修,并可在任意位置安装。
2、结构简单、紧凑,操作扭矩小,90°回转开启迅速。
3、流量特性为直线,调节性能好。
4、蝶板与阀杆的连接采用无销钉结构,克服了有可能的内泄漏点。
5、蝶板外圆采用球面造型,提高了密封性能及延长了阀门的使用寿命,带压启闭5万次以上仍保持零泄漏。
6、密封件可更换,且密封可靠达到双向密封。
7、蝶板可根据用户要求喷涂覆层,如尼龙或聚四氟类。
三、软密封气动对夹式蝶阀的执行标准:
| 制造标准 | GB/T 122387-89 |
| 法兰标准 | GB9113-2000、GB17241.6-1998 |
| 结构长度标准 | GB12221-89 |
| 检验标准 | GB/T 13927-92 |
四、气动执行器的主要参数:
| 气动执行器 | ZM-AT系列,ZM-GT系列单双作用气动执行器 |
| 供气压力 | 0.5-0.7MPA |
| 气源接口 | G1/4"、G1/8"、G3/8"、G1/2" |
| 作用形式 | 单作用气动执行器,双作用气动执行器 |
| 可配附件 | 电磁阀,限位开关,二联件,手轮机构等 |
五、软密封气动对夹式蝶阀的主要零部件材料:
| 零件名称 | 主要材料 |
| 阀体 | 铸铁,铸钢,不锈钢 |
| 蝶阀 | 铸铁,铸钢,不锈钢及特殊材料 |
| 密封圈 | 各种橡胶,聚四氟 |
| 阀杆 | 不锈钢 |
| 填料 | O型圈,柔性石墨 |
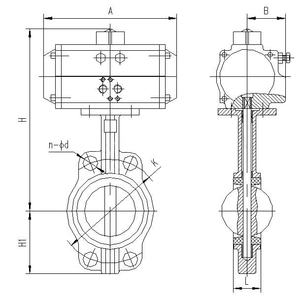
六、软密封对夹式气动蝶阀的主要外形尺寸图:

上海高成阀门制造有限公司专业生产气动蝶阀、气动球阀,电动执行器以及电动球阀和电动蝶阀等,气动球阀型号多样,价格实惠,在工业自动化阀门领域积累了丰富生产和销售经验。如有任何疑问,请致电我们021-66400088,我们定会尽心尽力为您提供满意的服务。
扫一扫关注公众号